Артикул: 114.0741.504
                
                                            Уточните сроки поставки
                                    
                
             
            
         
        
     
 
    
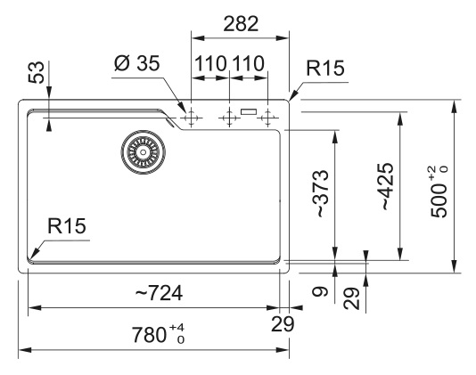
        Описание товара/Технические характеристики:
        
            - Категория: Best.&
 - Коллекция: Maris.&
 - Модельный ряд: Urban.&
 - Материал Fragranite® Plus.&
 - Антибактериальная защита Sanitized®.&
 - Монтаж: врезной.&
 - Ширина шкафа для монтажа: 800 мм.&
 - Размер мойки: 780х500 мм.&
 - Размер чаши: 724х425 мм, R15 мм.&
 - Глубина чаши: 230 мм.&
 - Вырез для монтажа: 760х480 мм, R10 мм.&
 - Отверстие под смеситель: сформированные с обратной стороны 3х35 мм.&
 - Стоп-вентиль: в комплекте, выпуск 3.5", круглый перелив в чаше.&
 
         
     
            Цвет: Оникс 
        Страна изготовления: СЛОВАКИЯ